浪涌保護器在低壓配電系統的應用!
低壓配電系統中,浪涌保護器是標配產品,了解該產品在配電系統的應用具有較高意義。
中為防雷從以下內容對浪涌保護器在低壓配電系統的應用進行一下介紹:
1、浪涌保護器的安裝和保護效果
浪涌保護器在低壓配電系統應用時,可以采用下面的流程:
①保護和安裝模式-盡可能靠近裝置的起始位置。
②震蕩現象-盡可能靠近設備安裝。
③連接導線長度-浪涌保護器和同浪涌保護器串聯的外部脫離器的連接導線長度盡可能短。
④需要附加保護-SPD安裝在裝置的人口處,并且其他SPD浪涌保護器應盡可能靠近設備。
⑤根據試驗等級選擇浪涌保護器的安裝點-Ⅰ、II、Ⅲ類試驗的浪涌保護器可安裝在裝置的入口處,Ⅱ、Ⅲ類試驗的浪涌保護器可靠近設備安裝。
⑥保護區域的概念-采用這種概念,浪涌保護器可安裝在區域邊界處。
在入口處,可根據侵入的電涌應力選擇符合I類、II類或Ⅲ類試驗要求的SPD浪涌保護器。考慮電涌電流所引起的電應力大小是正確選擇SPD浪涌保護器的關鍵。
特別當存在雷電防護系統時,可參見GB/T21714系列標準中的附加說明。依據II類試驗和Ⅲ類試驗測試的SPD浪涌保護器也適用于被安裝在靠近保護設備的位置。
2、可能的保護模式及安裝
當要保護的設備有足夠的過電壓耐受能力或其靠近主配電盤,使用一個SPD浪涌保護器可能就足夠了。在這種情況下,浪涌保護器的安裝應盡可能靠近被保護裝置的起始點。在這個位置,浪涌保護器應該有足夠的沖擊耐受能力。
位于或靠近被保護裝置的起始點的浪涌保護器應至少被連接在以下幾點之間:
①如果在或接近被保護裝置的起始點處中性線和PE有直接連接,或沒有中性線:
在每條相線和總接地端子之間或保護導線之間,以連接線較短為優先原則;
注1:在IT系統上,連接中性線和PE的阻抗不認為是一個連接。
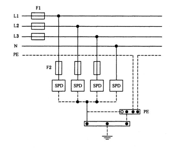
②如果在或接近被保護裝置的起始點處中性線和PE沒有直接連接:
連接類型1(CT1)——在每條相線和總接地端子之間或保護導線之間,在中性線和總接地端子之間或保護導線之間,以連接線較短為優先原則,見下圖:
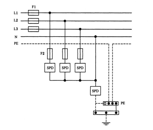
連接類型2(CT2)——在每條相線和中性線之間,在中性線和總接地端子或保護導線之間,以連接線較短為優先原則,見下圖:
注2:如果某根相線接地,其即被認為相當于②款中的中性線。
表3列出了各種低壓系統可能需要的保護模式。
注3:如果在相同導線上連接有兩個以上的浪涌保護器,有必要確保它們之間的協調。
注4:保護模式的數量取決于被保護設備的類型(例如,如果設備沒有接地,相線對地或中心線對地的保護可能就沒有必要),由各種保護模式下設備的耐受能力、電氣系統的結構、接地以及侵人電涌的特點而定。例如,一般在相線/中性線和PE導線之間或在相線和中性線之間施加保護一般就足夠了,而不用再在相線和相線之間施加保護。
注5:安裝在供電部門計量表前的浪涌保護裝置必須經供電部門同意。
注1:當浪涌保護器和PE-N等電位體之間距離過短(典型的不足10m)時,可以不安裝。
注2:采用CT2連接方式時,比較設備的耐受電壓Uw應與串聯的兩個浪涌保護器(L-N,N-PE)的保護水平相比較,這可能不同于兩個浪涌保護器的Up的簡單相加。
以上內容就是關于浪涌保護器在低壓配電系統的應用介紹,希望對大家有所幫助。
ZVD中為防雷http://www.kaiyuanfeather.com.cn/knowledge/0607452.html
廣東中為智能防雷技術有限公司
