電源防雷器怎么接線,電源防雷器的安裝方法和要求
電源防雷器也叫浪涌保護器,一般是安裝在固定配電箱里面的,那么電源防雷器在安裝時有什么方法和要求呢?具體是怎么接線的呢?這里來跟大家分享一下電源防雷器在安裝過程中可能會遇到的一些問題和注意是事項,并貼出了常用的電源防雷器安裝接線示意圖供大家參考和學習。
那么,電源防雷器的安裝接線和方法和要求主要有哪些呢,中為防雷主要出一下幾個方面來概述:
1、電源防雷器的接線形式
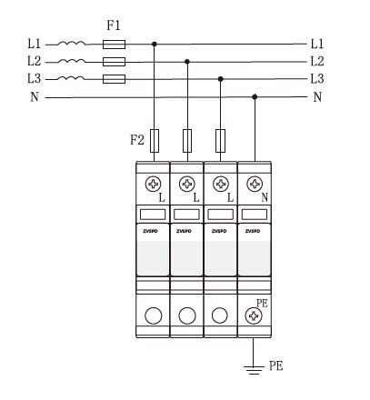
目前行業內主流的一二三級電源防雷器接線都是并聯接線,安裝在電源線路主開關的下端,從主開關處直接引線并聯在防雷器的L和N端即可,火線接入L端口,零線接入N端口,再從防雷器PE端口引出地線接入接地匯流排即可。如下圖所示為電源防雷器并聯接線方式,和上圖電源防雷器實物圖對照,可以很清楚的看到接線方法,F1為線路主開關,F2為浪涌專用后備保護器。
ps:當然電源防雷器也會有串聯接線的形式,串聯接線的電源防雷器也叫二端口防雷器,就會有輸入輸出的區別了,一般情況下串聯接線的防雷器的輸出端口需要對著被保護設備,不能接反,串聯式電源防雷器極少,這里就不做概述了。
2、防雷器固定安裝方法
防雷器為35mm工業導軌安裝,該產品為工業化設計,可以卡接在導軌上面,安裝非常簡單方便,只需要通過防雷器背面的卡扣就可以直接卡接在導軌上了。
3、安裝要求和注意事項
①防雷器需要安裝在無劇烈震動的場所,因為如果有震動可能會導致防雷器接線端口松動等危險情況發生,所以需要固定好防雷器;
②防雷器需要安裝在防水環境,防雷器的防水等級是IP20.而且該產品為電源線路保護防雷器,連接的都是電源線路,一旦有水侵入,可能導致漏電情況,所以電源防雷器在安裝過程中一定要注意防水。
③電源防雷器安裝好后所有的接線端口都要檢測一遍,避免出現沒有壓緊的情況,如果沒有壓緊,當發生雷擊情況時,可能端子會出現打火等情況;
④安裝接線時注意連接防雷器的線路越短越好,這樣會降低線上產生的殘壓,起到更好的防雷效果。
總結:電源防雷器的安裝接線的各種情況可以參考以上內容,當然還有很多小細節沒有寫到,采購了防雷器之后需要仔細閱讀廠家給的說明書,因為每個廠家的產品可能都不一樣,小編只能從本公司的產品給大家盡量講解,僅供參考。
中為智能防雷器浪涌保護器http://www.kaiyuanfeather.com.cn/knowledge/1206200.html轉載需授權!
廣東中為智能防雷技術有限公司
