天線饋線用避雷器是否有方向性,需要區分輸入輸出嗎?
戶外AP網橋、通訊基站、無線路由器等無線通信設備,因為需要配置天線,而天饋線一般又處于戶外空曠且比較高的位置,屬于易引雷區域,具有浪涌侵害風險。
所以一把工業設備都會安裝天線避雷器,用來防雷防浪涌。
天線避雷器因為都是串聯在天線中,所以很多工程商在安裝時會有疑問:天線饋線用避雷器是否和普通信號防雷器一般具有有方向性,需要區分輸入輸出嗎?
根據中為防雷器廠家經驗,常規的開關型天饋防雷器和1/4λ天線浪涌保護器是不需要區分輸出和輸出的。
要從根本上理解這個問題,需要了解防雷器內部的原理,要弄懂為什么有些信號防雷器需要區分輸入和輸出。
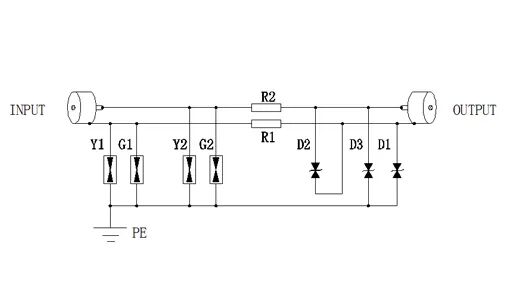
1、常規的信號防雷器,比如網絡信號,內部因為是多級防雷設計,所以需要區分輸出輸出。
如下圖所示,是一款多級信號防雷設計原理圖,輸入端是放電管,中間串聯電阻,后端是TVS。
這種多級防雷設計就需要區分輸入輸出,浪涌端接輸入,輸出對著保護設備,起到多級防雷的效果。
2、而天饋線避雷器因為只有一級防雷設計,所以安裝時沒有方向性,是不需要區分輸入和輸出的。
原理圖如下所示,其內部是以一個放電間隙作為防雷元器件,沒有多級防雷設計。
3、有一些特殊的多級防雷設計的天饋線避雷器,也具有方向性,需要區分輸入和輸出。
所以在安裝天線避雷器時,最好先仔細查看說明書或者咨詢廠家。
還需要注意的是,如果天線避雷器具有方向性,在選擇的時候,一定得注意產品的輸出輸出的接頭形式。
比如N頭天線避雷器,一般有公母頭,雙母頭等,如果設備上母頭,那避雷器的輸出一般選擇公頭。
ZVD中為防雷 http://www.kaiyuanfeather.com.cn/knowledge/0708470.html 轉載需授權!
廣東中為智能防雷技術有限公司
